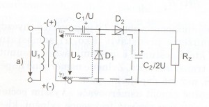
Zdvojovač napětí
- Je tvořen dvěma jednocestnými usměrňovači, z nichž jeden usměrňuje kladnou půlvlnu a druhý zápornou půlvlnu. Výstupního napětí transformátoru.

Funkce tohoto zdvojovače je následující:
- Je-li na horním konci sekundárního vinutí transformátoru – ( mínus) a na dolním konci +(plus), prochází obvodem proud iF1, který protéká diodou D1 a nabíjí kondenzátor C1 na napětí U vyznačené polarity.
- Při opačné půlvlně výstupního napětí transformátoru, tzn. Je-li na horním konci (+) a na dolním konci (-), prochází obvodem proud iF2, který protéká přes kondenzátor C1, diodou D2 a nabíjí kondenzátor C2 na hodnotu 2U. NA hodnotu 2U proto, neboť velikost napětí na kondenzátoru nabitého při předchozí půlvlně (C1) se sčítá s napětím na sekundárním vinutí transformátoru.
- Na zátěži odebíráme napětí rovnající se dvojnásobnému napětí sekundáru transformátoru.
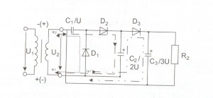
Půlvlnný násobič třemi
- Toto zařízení pracuje podobně jako předchozí zdvojovač. Navíc je zde dioda D3 a kondenzátor C3.

Popis funkce je následující:
- Je-li na spodním sekundárním konci vinutí transformátoru + a ba horním konci -, prochází obvodem proud iF1 od spodního konce vinutí přes diodu D1 , nabíjí se kondenzátor C1 na hodnotu U vyznačené polarity a vrací se na horní konec vinutí transformátoru.
- Při opačné půlvlně vstupního napětí , tj. je-li na horním konci sekundárního vinutí (+) a na dolním (-), prochází obvodem proud iF2 přes kondenzátor C1 diodu D2 nabíjí se kondenzátor C2 na hodnotu 2U vyznačené polarity a vrací se na dolní konec sekundárního vinutí transformátoru.
- Při další půlvlně vstupního napětí, kdy je opět na spodní straně vstupního napětí + a na dolní -, prochází obvodem proud iF1, který přes diodu nabíjí kondenzátor C1 a jednak i proud iF1, který prochází přes kondenzátor C2, diodu D3, nabíjí kondenzátor C3 na hodnotu 3U a vrací se na horní konec vinutí transformátoru.
- Na zátěži odebíráme napětí rovnající se trojnásobnému napětí sekundáru transformátoru.